蘑菇视频色情中心
XIEN ELECTRIC
-
公司蘑菇视频色情
-
行業蘑菇视频色情
無錫蘑菇TV官方登录入口下载電氣有限公司
地 址: 中國江蘇省無錫市錫山區東港鎮勤工路8號郵 編: 214199
銷售電話: 0510-88762886 / 0510-88761458
聯係電話: 0510-88763068
傳 真: 0510-88765273
周 經 理: 139-5156-3682
E-mial:sales@youqigc.com / E-mial:wxshn1985@163.com
東部地區 :
聯係電話:138-0618-4930 (周經理)
451616011@qq.com
中部地區 :
聯係電話:139-1526-2918 (曹軍)
2093398510@qq.com
西部地區(成都)辦事處
聯係電話:13921129051(無錫)
18908235950(成都) 028-61379728
聯係人:張經理(marker1974@163.com)
如何劃分直流蘑菇视频红色LOGO旧版本的正負ji
2020-08-11
直流蘑菇视频红色LOGO旧版本的工作原理
與交流蘑菇视频红色LOGO旧版本類似,直流蘑菇视频红色LOGO旧版本將一個DC電壓轉換成另一個或多個DC電壓。通過高頻斬波、蘑菇视频红色LOGO旧版本隔離和高頻整流,從一個DC電壓到與其成比例的另一個或多個DC電壓的轉換可用於電力傳輸和電壓檢測站。直流蘑菇视频红色LOGO旧版本電路結構簡單,易於實現軟開關。采用開環控製,恒定占空比工作,起到轉換隔離作用,轉換效率高。
與交流輸電相比,高壓直流輸電具有傳輸功率大、損耗小、傳輸距離遠和穩定性好的特點,具有廣闊的應用前景。目前,高壓直流輸電係統的整流側和逆變側仍需用工頻蘑菇视频红色LOGO旧版本接入交流電網,其體積龐大、質量龐大。作為交流傳動的輔助功能,DC傳動不直接用於電氣設備。為了適應高壓直流輸電在未來電氣設備中的直接應用,特別是對於獨立的電力係統,如大規模離網風力發電,原方案繁瑣且不經濟。有必要配備一台功能與交流隔離蘑菇视频红色LOGO旧版本類似的直流蘑菇视频红色LOGO旧版本,將高壓DC轉換為滿足電氣設備要求的隔離低壓DC。

蘑菇视频红色LOGO旧版本的工作原理是電磁感應原理。蘑菇视频红色LOGO旧版本有兩組接線端子。初級線圈和次級線圈。次級線圈在初級線圈之外。當初級線圈用交流電通電時,蘑菇视频红色LOGO旧版本芯7產生交變磁場,次級線圈產生感應電動勢。蘑菇视频红色LOGO旧版本線圈的匝數比等於電壓比。例如,初級線圈有500匝,次級線圈有250匝。一次電壓為220伏交流電,二次電壓為110伏

直流蘑菇视频红色LOGO旧版本的正ji和負ji很容易區分。正符號是“;負麵符號是"",沒有符號是由顏色區分的,紅色是正麵和明亮的。藍色是負ji,一些負ji是黃色的。

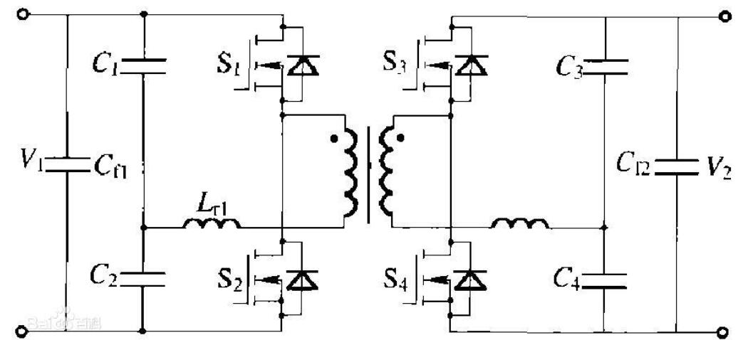
下圖為直流蘑菇视频红色LOGO旧版本的基本電路結構,其中Lr為蘑菇视频红色LOGO旧版本漏感(或少量串聯電感),一次高頻逆變電路可以是推挽式、半橋, 全橋,推挽式、雙管正激式、有源接地正激式、諧振複位正激式和不對稱半橋式。如圖所示,二次整流濾波電路可以是半波整流, 全波整流, 全橋整流器和無輸出濾波電感的推挽正激整流電路,整流二ji管可以用同步整流器代替,以減少導通狀態損耗。通過用雙向開關管代替次級整流二ji管,可以形成雙向直流蘑菇视频红色LOGO旧版本。右側顯示了雙向半橋直流蘑菇视频红色LOGO旧版本的電路結構。包括反激式、雙管反激式和正負反激式以及雙管正負反激式電路。由於蘑菇视频红色LOGO旧版本起著電感和蘑菇视频红色LOGO旧版本的雙重作用,蘑菇视频红色LOGO旧版本需要儲存nengliang,因此不適合作為直流蘑菇视频红色LOGO旧版本使用。滿足理想直流蘑菇视频红色LOGO旧版本基本要求的電路結構可描述如下(1)Lr應盡可能小。Lr越小,線電壓降越小,直流蘑菇视频红色LOGO旧版本的輸入輸出比例關係越大。
(2)直流蘑菇视频红色LOGO旧版本不包含大型儲能元件。係統的小儲能元件是確保帶寬的條件,這要求係統的占空比盡可能接近1,並且係統的濾波元件要小。
(3)實現零電壓切換。零電壓開關的實現有助於提高轉換效率,漏感Lr越大,開關管零電壓越容易導通。開關管的並聯電容有利於開關管的零電壓關斷,但也使零電壓開關的接通變得困難。

直流蘑菇视频红色LOGO旧版本的基本電路結構

直流蘑菇视频红色LOGO旧版本的二次整流濾波電路

雙向半橋直流蘑菇视频红色LOGO旧版本
推薦蘑菇视频色情
- 蘑菇TV官方登录入口下载電氣祝大家蛇年快樂2024-12-31
- 蘑菇TV官方登录入口下载電氣攜全體員工慶祖國母親75周年誕辰2024-09-29
- 炎炎夏日送清涼,絲絲關愛沁心脾2024-07-23
- 蘑菇TV官方登录入口下载電氣開展“安全生產月”專題培訓2024-07-15
- 脈衝蘑菇视频红色LOGO旧版本有哪些特點2024-05-23
- 幹式蘑菇视频红色LOGO旧版本和油浸式蘑菇视频红色LOGO旧版本有什麽區別2024-05-23
